三个开关控制电灯的开和关的电路图
2025-04-13 17:27 来源:网络 点击:
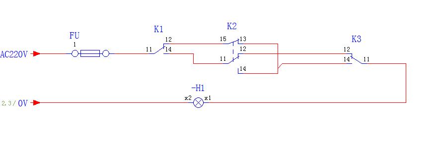
三个开关控制电灯的开和关的电路图
在家里给一个AC220V,60W的电灯接线,但是我需要上下楼梯口一个开关,卧室一个开关控制它,也就是说一个点灯,三个地方随时都能控制它的开和关的功能,这个题目在一些电工考试中也会遇到,答案也许不止一个。

相关标签:
-
- 阜新至沈阳5:00班车开通
-
2025-04-13 17:25:44
-
- 警方通报13岁女生被摁马桶暴打:1人被刑拘
-
2025-04-13 17:23:30
-
- 新的全国五一劳动奖章来啦
-
2025-04-13 17:21:15
-
- 很浪漫的六个字句在这里
-
2025-04-13 17:19:01
-
- 韩国女艺人金姬贞SNS发近照秀出众美貌
-
2025-04-13 17:16:47
-
- 抖音海绵宝宝无力偿还而被抛尸海边表情图片分享
-
2025-04-13 17:14:33
-
- 掰一掰诗如雅张曼如的网红真相
-
2025-04-13 09:35:52
-
- 现代的潘金莲,龚玥菲气质写真
-
2025-04-13 09:33:38
-
- 中超联赛赛程安排
-
2025-04-13 09:31:23
-
- 赵雷图片!
-
2025-04-13 09:29:09
-
- 你选谁?vivo X9L对比完全一样的vivo X9i
-
2025-04-13 09:26:55
-
- 美团众包一天能挣多少钱?
-
2025-04-13 09:24:40
-
- 梁山汽车站所有线路班车及城际、城区、城乡公交暂缓发车
-
2025-04-13 09:22:26
-
- 「TFBOYS」「新闻」191204 TFBOYS合体出席尖叫之夜,粉丝俱乐部高级会员报
-
2025-04-13 09:20:12
-
- 这个杀手不太冷头像壁纸
-
2025-04-13 09:17:58
-
- 攻略丨支付宝沾沾卡怎么100%沾到敬业福?
-
2025-04-13 09:15:43
-
- 何亚男独唱音乐会在哈举办
-
2025-04-13 09:13:29
-
- 常见水草三角莫斯
-
2025-04-13 09:11:15
-
- 蔡徐坤与前经纪公司因合同纠纷一审开庭
-
2025-04-13 09:09:01
-
- 金杯妹妹孟衍竹 瑞田的女神范儿作品
-
2025-04-13 09:06:47



一条烟不开封可以放多久?
彭冠英张含韵被曝结婚:低调的幸福爱情婚姻,或许与她的经历有关
王治郅的妻子周蕾,身材高挑 才貌双全 照片欣赏
范冰冰不雅图片 范爷大尺度裸身戏遭曝光
扎西顿珠视为信仰的宗庸卓玛与平凡丈夫的爱情,七年卧床不离不弃
中国著名相声演员姜昆简历